emilspec
An Integrated Publishing, Inc. Site
eMilSpec
An Integrated Publishing Website
MIL-DTL-55302-131 Connectors, Plug, Electrical, Printed Circuit Subassembly And Accessories: Right Angle, Pin Contacts, 64 Or 96 Contact Position For Printed Wiring Boards \(.100 Spacing\)
Pages
1
-
2
-
3
-
4
-
5
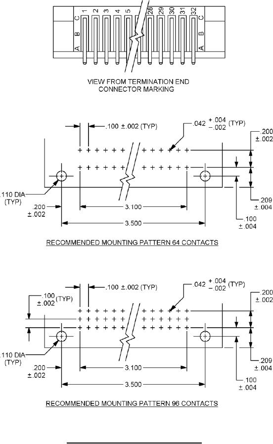
MIL-DTL-55302/131D
FIGURE 1. Connector, plug, .100 (2.54 mm) spacing
Continued.
2
For Parts Inquires submit RFQ to
Parts Hangar, Inc.
© Copyright 2015 Integrated Publishing, Inc.
A Service Disabled Veteran Owned Small Business