
INCH-POUND
MIL-DTL-55302/133C
18 February 2005
SUPERSEDING
MIL-C-55302/133B
1 MAY 1992
DETAIL SPECIFICATION SHEET
CONNECTORS, PLUG, ELECTRICAL, PRINTED CIRCUIT SUBASSEMBLY AND
ACCESSORIES: RIGHT ANGLE, PIN CONTACTS, 32 OR 64 CONTACT POSITION
FOR PRINTED WIRING BOARDS (.100 SPACING)
This specification is approved for use by all Departments and Agencies of the Department of Defense.
The requirements for acquiring the product described herein
shall consist of this specification sheet and MIL-DTL-55302.
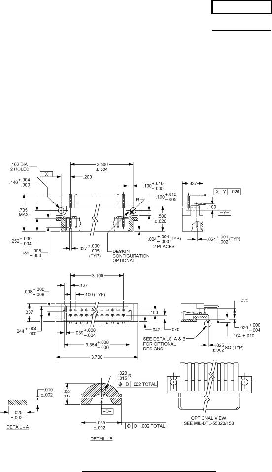
FIGURE 1. Connector, plug, .100 (2.54 mm) spacing.
AMSC N/A
FSC 5935
For Parts Inquires submit RFQ to Parts Hangar, Inc.
© Copyright 2015 Integrated Publishing, Inc.
A Service Disabled Veteran Owned Small Business