
INCH-POUND
MIL-DTL-55302/134B
18 February 2005
SUPERSEDING
MIL-C-55302/134A
9 April 1986
DETAIL SPECIFICATION SHEET
CONNECTORS, PRINTED CIRCUIT SUBASSEMBLY AND ACCESSORIES:
RECEPTACLE SOCKET CONTACTS, STRAIGHT THRU 32 OR 64 CONTACT POSITIONS,
FOR PRINTED WIRING BOARDS (.100 SPACING)
This specification is approved for use by all Departments and Agencies of the Department of Defense.
The requirements for acquiring the product described herein shall consist of this specification sheet and
MIL-DTL-55302.
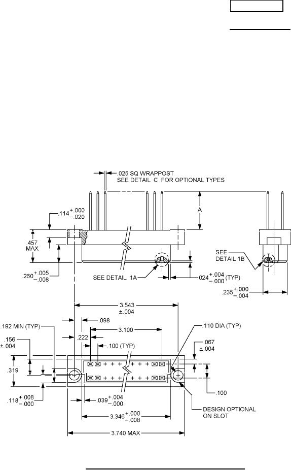
FIGURE 1. Connector, receptacle, .100 (2.54 mm) spacing.
AMSC
FSC 5935
For Parts Inquires submit RFQ to Parts Hangar, Inc.
© Copyright 2015 Integrated Publishing, Inc.
A Service Disabled Veteran Owned Small Business