
MIL-DTL-55302/140C
Arrangements and characteristics.
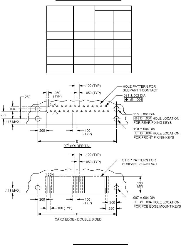
Dimensions (inches)
Contact
Number of
arrangement
contacts
A
B
± .006
max
(0.15)
M55302/140A
17
1.516
1.200
(38.50)
(30.48)
M55302/140B
29
2.114
1.800
(53.70)
(45.72)
M55302/140C
33
2.314
2.000
(58.80)
(50.80)
M55302/140D
41
2.716
2.400
(69.00)
(60.96)
M55302/140E
53
3.315
3.000
(84.20)
(76.20)
M55302/140F
65
3.917
3.600
(99.50)
(91.44)
FIGURE 2. Recommended hole pattern.
2
For Parts Inquires submit RFQ to Parts Hangar, Inc.
© Copyright 2015 Integrated Publishing, Inc.
A Service Disabled Veteran Owned Small Business