
MIL-DTL-55302/143C
Inches
mm
Inches
mm
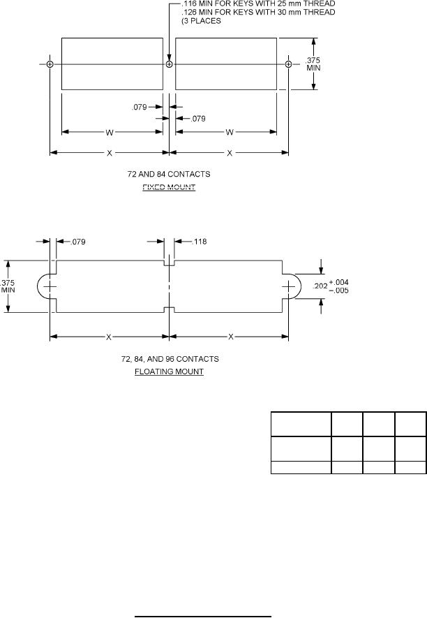
Number of
72
84
96
.004
0.10
.375
9.53
Contacts
.005
0.13
1.93
49.02
W
1.93
2.23
2.53
.079
2.01
2.10
53.34
minimum
.116
2.95
2.23
56.64
X
2.10
2.40
2.70
.118
3.00
2.40
60.96
.126
3.20
2.53
64.26
.202
5.13
2.70
68.58
NOTES:
1. Dimensions are in inches.
2. Metric equivalents are given for information only.
3. Unless otherwise specified, tolerance is ± .005 (0.13 mm).
4. Floating mount panel thickness .085 (2.15 mm) maximum.
FIGURE 5. Recommended panel cutouts.
6
For Parts Inquires submit RFQ to Parts Hangar, Inc.
© Copyright 2015 Integrated Publishing, Inc.
A Service Disabled Veteran Owned Small Business