
MIL-DTL-55302/145C
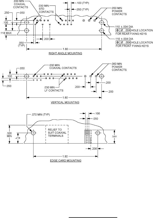
Inches
mm
.004
0.10
.030
0.76
.050
1.27
.060
1.52
.070
1.78
NOTES:
.100
2.54
1. Dimensions are in inches.
.106
2.69
2. Metric equivalents are given for information only.
.118
3.00
3. Unless otherwise specified, tolerance is ± .005 (0.13 mm).
.200
5.08
.240
6.10
.320
8.13
1.80
45.7
FIGURE 2. Recommended hole patterns.
3
For Parts Inquires submit RFQ to Parts Hangar, Inc.
© Copyright 2015 Integrated Publishing, Inc.
A Service Disabled Veteran Owned Small Business