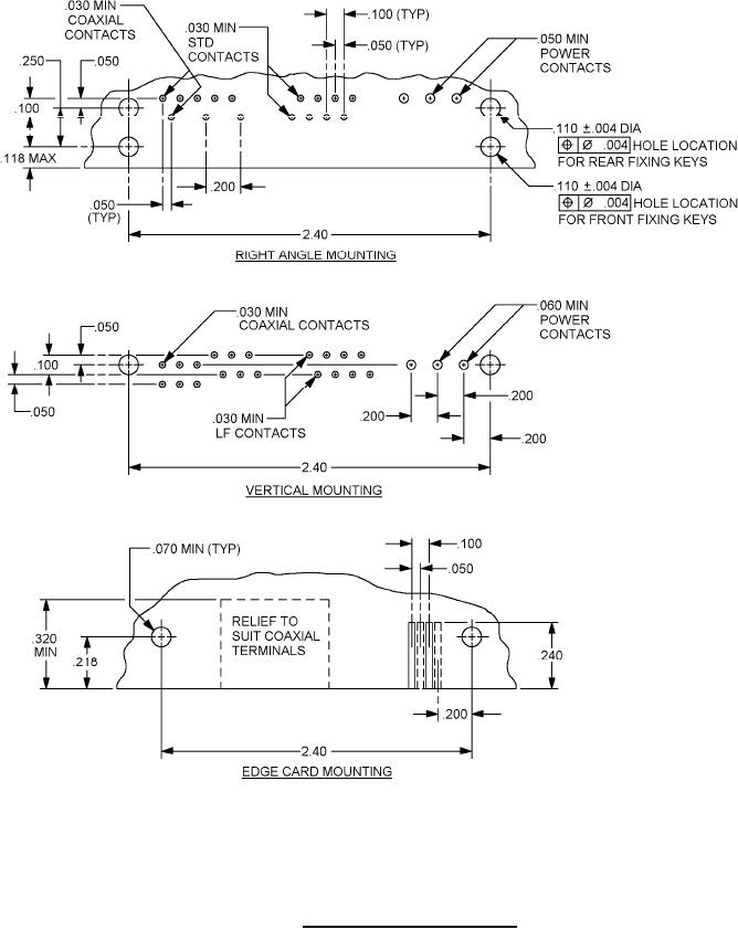
MIL-DTL-55302-146 Connectors, Printed Circuit Subassembly And Accessories, Receptacle With Pin Contacts, 2 Female Keying Guides, 2.717 Inches Length, For Printed Wiring Boards \(.100 Inch Spacing\)