
MIL-DTL-55302/147C
Inches
mm
Inches
mm
Inches
mm
.004
0.10
.100
2.54
.218
5.54
.030
0.76
.106
2.69
.240
6.10
.050
1.27
.110
2.79
.320
8.13
.060
1.52
.118
3.00
.640
16.26
.070
1.78
.200
5.08
3.00
76.2
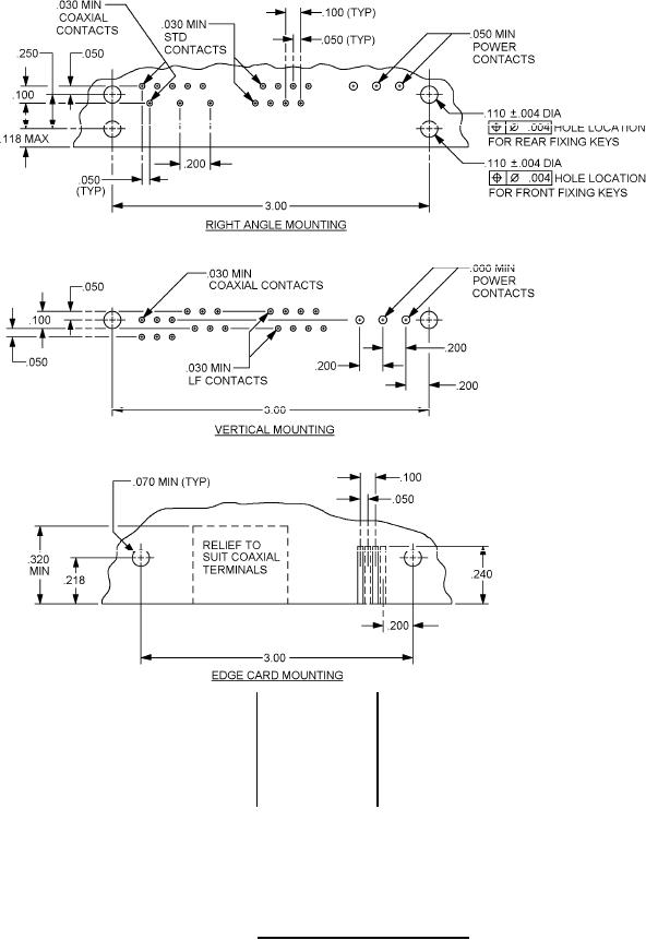
NOTES:
1. Dimensions are in inches.
2. Metric equivalents are given for information only.
3. Unless otherwise specified, tolerance is ± .005 (0.13 mm).
FIGURE 2. Recommended hole patterns.
3
For Parts Inquires submit RFQ to Parts Hangar, Inc.
© Copyright 2015 Integrated Publishing, Inc.
A Service Disabled Veteran Owned Small Business