
MIL-DTL-55302/149C
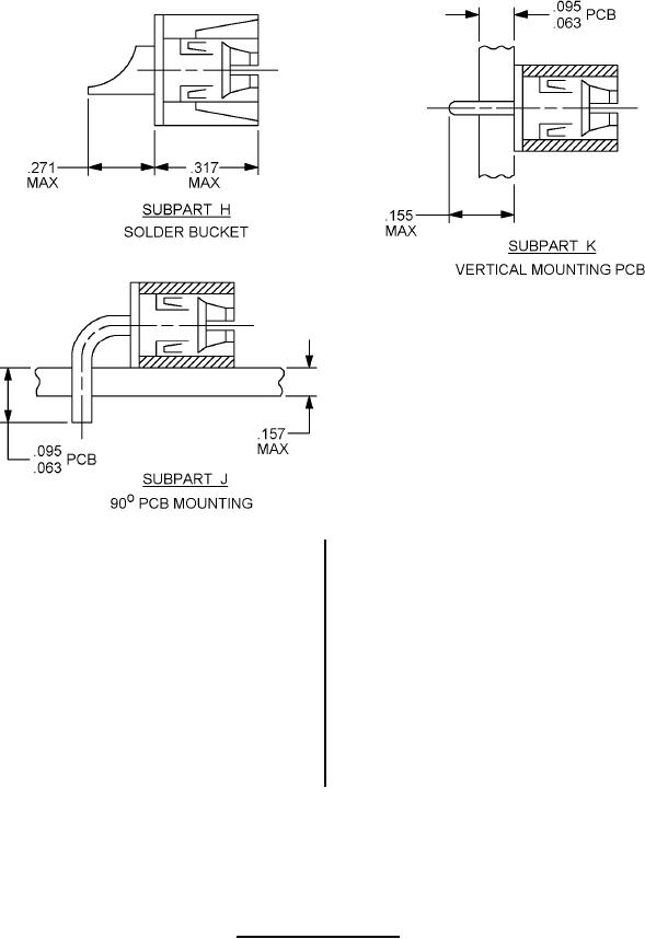
Inches
mm
Inches
mm
.020
0.51
.138
3.51
.03
0.8
.139
3.53
.063
1.60
.155
3.94
.071
1.80
.157
3.99
.079
2.01
.158
4.01
.094
2.39
.177
4.50
.095
2.41
.185
4.70
.100
2.54
.271
6.88
.110
2.79
.303
7.70
.122
3.10
.317
8.05
.126
3.20
.343
8.71
.374
9.50
NOTES:
1. Dimensions are in inches.
2. Metric equivalents are given for general information only.
3. Unless otherwise specified, tolerance is ± .005 (0.13 mm).
FIGURE 3. Coaxial configurations Continued.
5
For Parts Inquires submit RFQ to Parts Hangar, Inc.
© Copyright 2015 Integrated Publishing, Inc.
A Service Disabled Veteran Owned Small Business