
MIL-DTL-55302/153C
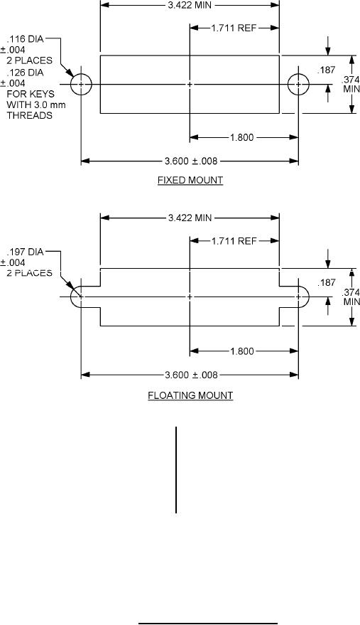
Inches
mm
Inches
mm
.004
0.10
.374
9.50
.008
0.20
1.711
43.46
.116
2.95
1.800
45.72
.126
3.20
3.422
86.92
.187
4.75
3.600
91.44
.19
4.8
NOTES:
1. Dimensions are in inches.
2. Metric equivalents are given for general information only.
3. Unless otherwise specified, tolerance is ± .005 (0.13 mm).
4. Floating mount panel thickness .085 (2.15 mm) maximum.
FIGURE 6. Recommended panel cutouts.
10
For Parts Inquires submit RFQ to Parts Hangar, Inc.
© Copyright 2015 Integrated Publishing, Inc.
A Service Disabled Veteran Owned Small Business