emilspec
An Integrated Publishing, Inc. Site
eMilSpec
An Integrated Publishing Website
MIL-DTL-55302-157 Connectors, Printed Circuit Subassembly And Accessories; {Plug, Straight Thru Contacts, 64 Or 96 Contact Positions, For Printed Wiring Boards \(.100 Inch Spacing\)
Pages
1
-
2
-
3
-
4
-
5
MIL-DTL-55302/157B
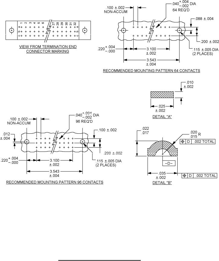
FIGURE 1. Connector, plug, .100 (2.54 mm) spacing
Continued.
2
For Parts Inquires submit RFQ to
Parts Hangar, Inc.
© Copyright 2015 Integrated Publishing, Inc.
A Service Disabled Veteran Owned Small Business