
INCH-POUND
MIL-DTL-55302/158C
9 March 2005
SUPERSEDING
MIL-C-55302/158B
1 June 1993
DETAIL SPECIFICATION SHEET
CONNECTORS, PRINTED CIRCUIT SUBASSEMBLY AND ACCESSORIES:
RECEPTACLE SOCKET CONTACTS, 64 OR 96 CONTACT POSITIONS,
FOR PRINTED WIRING BOARDS (.100 INCH SPACING)
This specification is approved for use by all Departments and Agencies of the Department of Defense.
The requirements for acquiring the product described herein shall consist of this specification sheet and
MIL-DTL-55302.
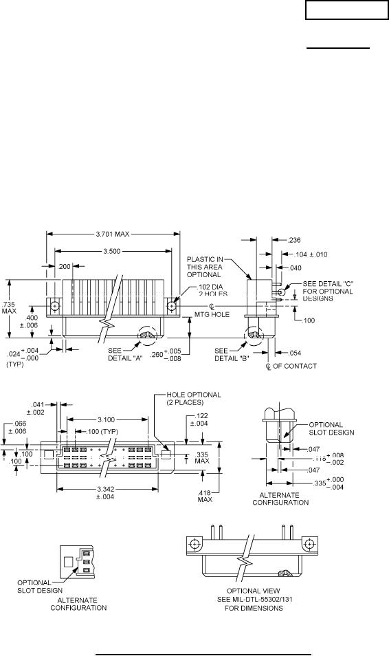
FIGURE 1. Connector, receptacle, .100 (2.54 mm) spacing.
AMSC N/A
FSC 5935
For Parts Inquires submit RFQ to Parts Hangar, Inc.
© Copyright 2015 Integrated Publishing, Inc.
A Service Disabled Veteran Owned Small Business