
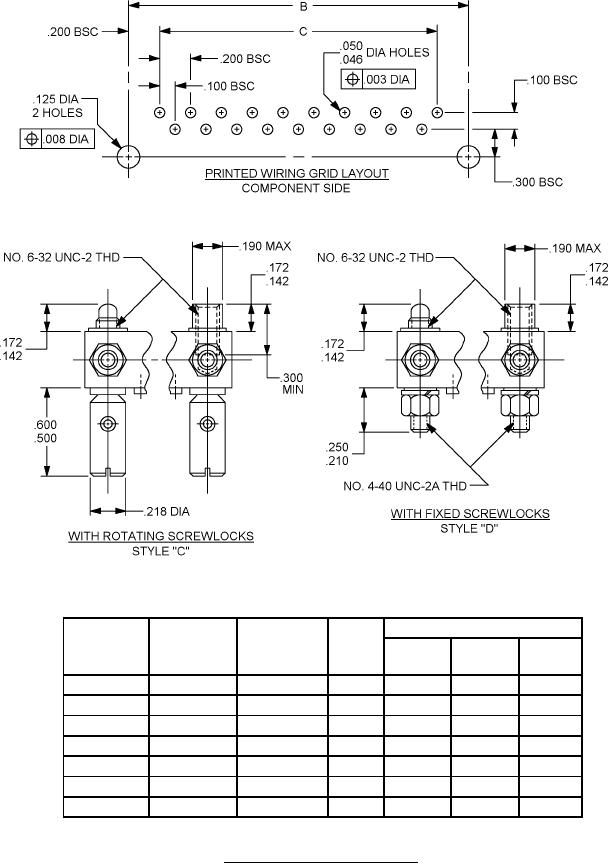
MIL-DTL-55302/16C
Dimensions and dash numbers.
Number
Dimensions
Guide pins
Rotating
Fixed
dash number screwlocks
screwlocks
contacts
A
B
C
dash number dash number
BSC
Ref
±.010
01
07
13
7
1.300
1.000
.600
02
08
14
9
1.500
1.200
.800
03
09
15
11
1.700
1.400
1.000
04
10
16
15
2.100
1.800
1.400
05
11
17
19
2.500
2.200
1.800
06
12
18
23
2.900
2.600
2.200
19
20
21
37
4.300
4.000
3.600
FIGURE 1. Connectors, plug (.200 spacing) - Continued.
2
For Parts Inquires submit RFQ to Parts Hangar, Inc.
© Copyright 2015 Integrated Publishing, Inc.
A Service Disabled Veteran Owned Small Business