
METRIC
MIL-DTL-55302/162D
8 July 2004
SUPERSEDING
MIL-C-55302/162C(CR)
17 March 1995
DETAIL SPECIFICATION SHEET
CONNECTORS, PRINTED CIRCUIT SUBASSEMBLY AND ACCESSORIES,
PLUG, 17, 29, 33, 41, 53, AND 65 CONTACT POSITIONS, FOR
PRINTED WIRING BOARDS, 2.54 MM X 1.27 MM OFFSET GRID, METRIC
This specification is approved for used by all Departments and Agencies of the Department of Defense.
The requirements for acquiring the product described herein shall consist of this specification sheet and
MIL-DTL-55302.
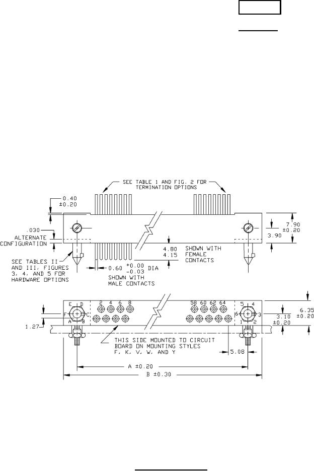
NOTE: Dimensions are in millimeters.
FIGURE 1. Connector receptacle.
AMSC N/A
FSC 5935