
MIL-DTL-55302/164D
NOTES:
1. Dimensions are in millimeters.
2. This is a metric design.
3. Unless otherwise specified, tolerance is ± 0.10 millimeter.
4. These connectors mate with MIL-DTL-55302/160.
5. See table I for mating.
6. Contact identification may be located adjacent to cavity on face or side and may be rotated 180°.
7. Crimp contacts are shipped not inserted into the insulator.
8. Use crimp tool M22520/2-01 for R and K terminal styles with Daniels manufacturing positioner
K547
9. Use crimp tool M22520/2-01 for R and K terminal styles with Daniels manufacturing positioner
K547 and K640
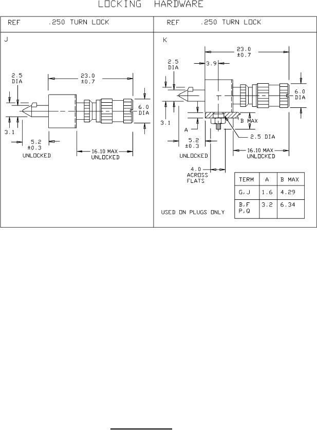
FIGURE 5. Locking hardware Continued.
8