
MIL-DTL-55302/17B
Dimensions and Part or Identifying Number (PIN).
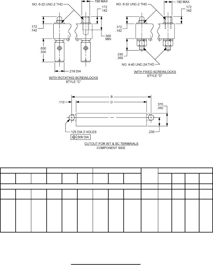
Guide pin bushing
Rotating screwlocks
Fixed screwlocks
Dimensions
No.
contacts
A
PC
SC
WT
PC
SC
WT
PC
SC
WT
B
C
D
BSC
Ref
±.010
±.010
PIN M55302/17-( )
Dash Dash Dash Dash Dash Dash Dash Dash
Dash
number number number number number number number number number
.780
1.300
1.000
.600
01
07
13
19
25
31
37
43
49
7
1.500
1.200
.800
02
08
14
20
26
32
38
44
50
9
.980
1.000
11
1.700
1.400
03
09
15
21
27
33
39
45
51
1.180
1.400
15
2.100
1.800
04
10
16
22
28
34
40
46
52
1.580
1.800
19
2.500
2.200
05
11
17
23
29
35
41
47
53
1.980
2.200
23
2.900
2.600
06
12
18
24
30
36
42
48
54
2.380
3.600
37
4.300
4.000
3.780
55
56
57
58
59
60
61
62
63
Solder termination's:
PC - Printed circuit
SC - Solder cup
WT - Wire terminal
FIGURE 1. Connectors, receptacle (.200 spacing) - Continued.
2
For Parts Inquires submit RFQ to Parts Hangar, Inc.
© Copyright 2015 Integrated Publishing, Inc.
A Service Disabled Veteran Owned Small Business