
INCH-POUND
MIL-DTL-55302/171B
13 May 2005
SUPERSEDING
MIL-C-55302/171A(USAF)
10 June 1986
DETAIL SPECIFICATION SHEET
CONNECTORS, PRINTED CIRCUIT SUBASSEMBLY AND ACCESSORIES:
LOW MATING FORCE, CONTACT BRUSH
This specification is approved for use by all Departments and Agencies of the Department of Defense.
The requirements for acquiring the product described herein shall
consist of this specification sheet and MIL-DTL-55302.
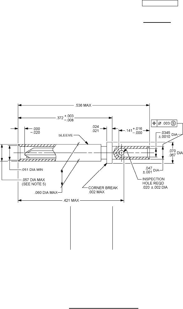
Inches
mm
Inches
mm
Inches
mm
.000
0.00
.020
0.51
.060
1.52
.0010
0.025
.021
0.53
.067
1.70
.001
0.03
.024
0.61
.070
1.78
.002
0.05
.0345
0.876
.141
3.58
.003
0.08
.047
1.19
.372
9.45
.008
0.20
.051
1.29
.421
10.69
.016
0.41
.057
1.45
.536
13.61
NOTES:
1. Dimensions are in inches.
2. Metric equivalents are given for general information only.
3. Crimp well accommodates size 22 to 28 AWG wire and M22520/2-01 crimp tool with Daniels
Locator K743, or equivalent.
4. Use with connector MIL-DTL-55302/169.
5. Applies to within .020 of entry minimum.
FIGURE 1. Contact, brush, crimp removable..
AMSC N/A
FSC 5935