
INCH-POUND
MIL-DTL-55302/176C
14 December 2007
SUPERSEDING
MIL- DTL-55302/176B
13 September 2002
DETAIL SPECIFICATION SHEET
CONNECTORS, PRINTED CIRCUIT SUBASSEMBLY AND ACCESSORIES:
3 ROW, PIN ASSEMBLIES, 75 THROUGH 405 CONTACT POSITIONS, FOR PRINTED
WIRING BOARDS (.100 SPACING)
This specification is approved for use by all Departments and
Agencies of the Department of Defense.
The requirements for acquiring the product described herein shall consist of this specification sheet and
MIL-DTL-55302.
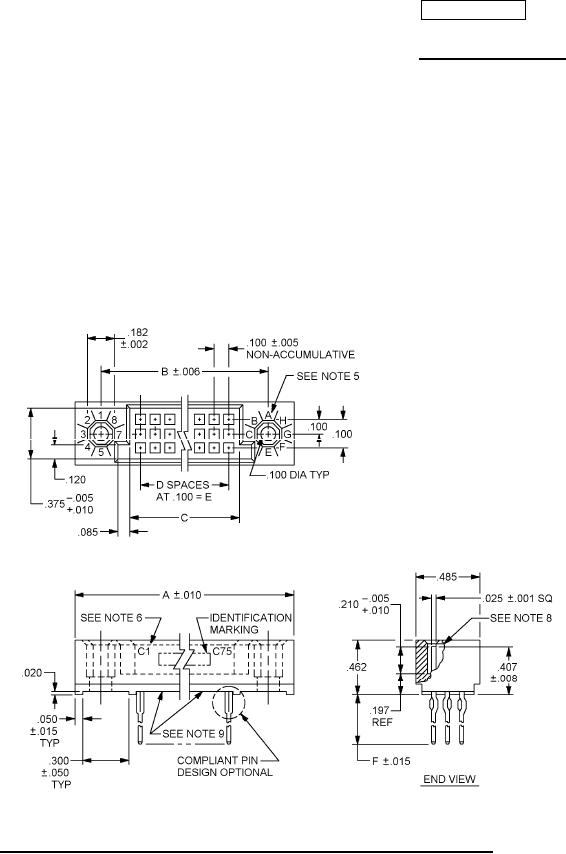
FIGURE 1. Connectors, pin assemblies .100 inch (2.54 mm) spacing, 75 through 225 contacts.
AMSC N/A
FSC 5935