
INCH-POUND
MIL-DTL-55302/178C
23 January 2008
SUPERSEDING
MIL- DTL-55302/178B
13 September 2002
DETAIL SPECIFICATION SHEET
CONNECTORS, PRINTED CIRCUIT SUBASSEMBLY AND ACCESSORIES:
3 ROW, PIN ASSEMBLIES, RIGHT ANGLE, 75 THROUGH 405
CONTACT POSITIONS, FOR PRINTED WIRING BOARDS (.100 SPACING)
This specification is approved for use by all Departments
and Agencies of the Department of Defense.
The requirements for acquiring the product described herein shall consist of this specification sheet and
MIL-DTL-55302.
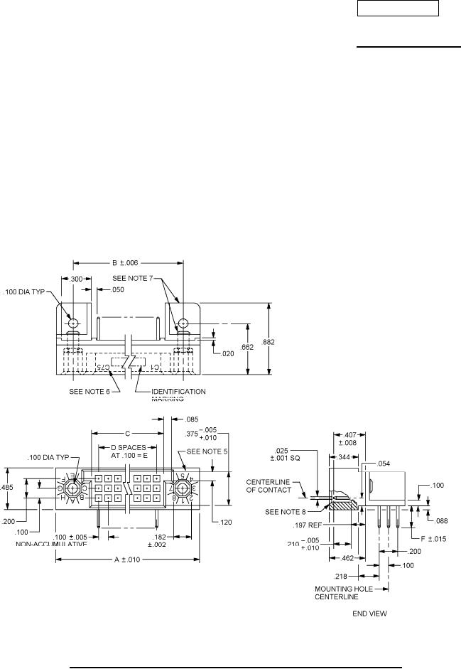
FIGURE 1. Connectors, pin assemblies .100 (2.54 mm) spacing, 75 through 225 contacts.
AMSC N/A
FSC 5935