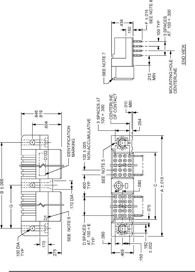
MIL-DTL-55302-180 Connectors, Printed Circuit Subassembly And Accessories: 4 Row, Receptacle Assemblies, Right Angle, 100 Through 684 Contact Positions, For Printed Wiring Boards \(.100 Spacing\)