
INCH-POUND
MIL-DTL-55302/25F
10 December 2003
SUPERSEDING
MIL-C-55302/25E
7 June 1993
DETAIL SPECIFICATION SHEET
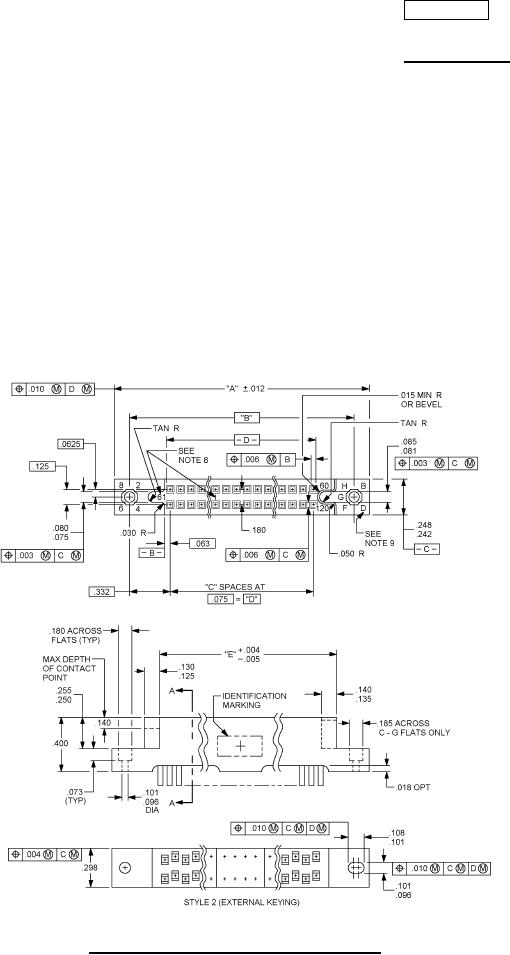
CONNECTORS, PRINTED CIRCUIT SUBASSEMBLY AND ACCESSORIES:
RECEPTACLE, 120, 150, 160, AND 180 CONTACT POSITIONS,
FOR PRINTED WIRING BOARDS (.075 SPACING)
This specification is approved for used by all Departments and Agencies of the Department of Defense.
The requirements for acquiring the product described herein shall consist of this specification sheet and
MIL-DTL-55302.
Style 1 (internal keying) connectors are hereby canceled and superseded by style 2 (external keying) connectors,
see table I for supersession data.
FIGURE 1. Connectors, receptacle, .075 (1.90 mm) spacing.
AMSC N/A
FSC 5935
For Parts Inquires submit RFQ to Parts Hangar, Inc.
© Copyright 2015 Integrated Publishing, Inc.
A Service Disabled Veteran Owned Small Business