
INCH-POUND
MIL-DTL-55302/26G
20 June 2008
SUPERSEDING
MIL- DTL-55302/26F
3 December 2003
DETAIL SPECIFICATION SHEET
CONNECTORS, PRINTED CIRCUIT SUBASSEMBLY AND ACCESSORIES:
PLUG, 30 thru 140 CONTACT POSITIONS,
FOR PRINTED WIRING BOARDS (.100 SQ. GRID)
This specification is approved for use by all Departments and Agencies of the Department of Defense.
The requirements for acquiring the product described herein shall consist of this specification sheet and
MIL-DTL-55302.
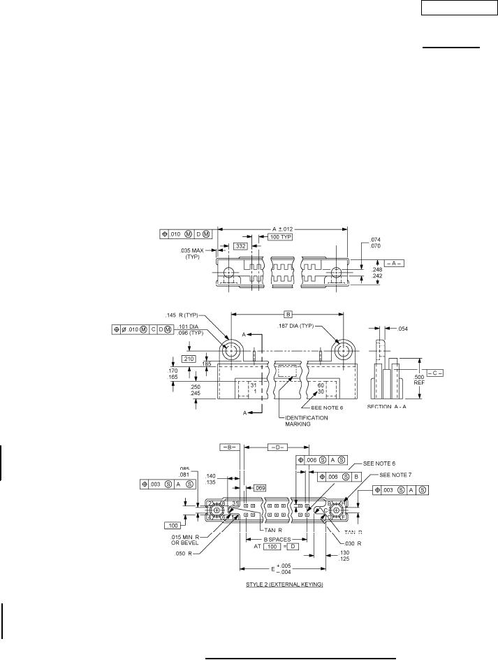
Style 1 (internal keying) connectors are hereby canceled and superseded by style 2 (external keying)
connectors, see table I for supersession data.
FIGURE 1. Connectors, plug, .100 (2.54 mm) square grid.
AMSC N/A
FSC 5935
For Parts Inquires submit RFQ to Parts Hangar, Inc.
© Copyright 2015 Integrated Publishing, Inc.
A Service Disabled Veteran Owned Small Business