
MIL-DTL-55302/27K
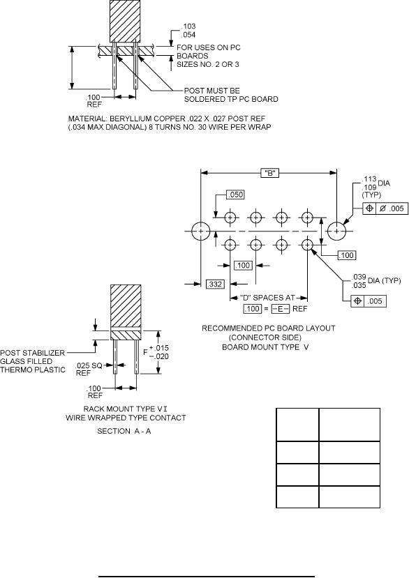
Post
length
F
type
.405
1
(10.29 mm)
.565
2
(14.35 mm)
.725
3
(18.42 mm)
FIGURE 1. Connectors, receptacle, .100 (2.54 mm) square grid - Continued.
7
For Parts Inquires submit RFQ to Parts Hangar, Inc.
© Copyright 2015 Integrated Publishing, Inc.
A Service Disabled Veteran Owned Small Business