
INCH-POUND
MIL-DTL-55302/30B
5 December 2003
SUPERSEDING
MIL-C-55302/30A
20 March 1972
DETAIL SPECIFICATION SHEET
CONNECTORS, PRINTED CIRCUIT SUBASSEMBLY AND ACCESSORIES:
TEST PROBE FIXTURE FOR RESISTANCE TO TEST PROBE DAMAGE
This specification is approved for used by all Departments and Agencies of the Department of Defense.
The requirements for acquiring the product described herein shall consist of this specification sheet and
MIL-DTL-55302.
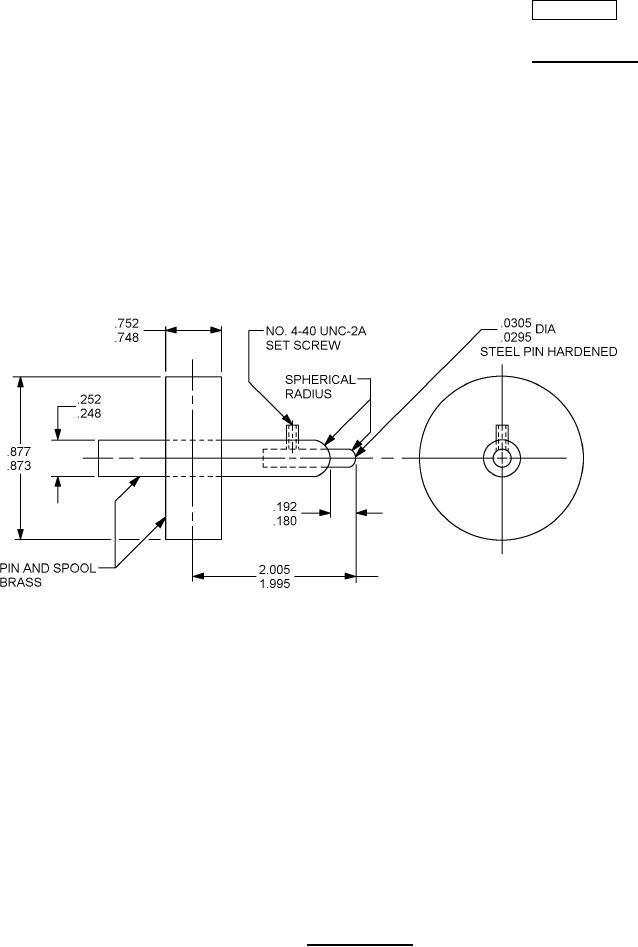
Inches
mm
Inches
mm
.0295
0.75
.252
6.40
.0305
0.77
.748
19.00
.182
4.62
.752
19.10
.192
4.88
.873
22.17
.195
4.95
.877
22.28
.205
5.21
1.995
50.67
.248
6.30
2.005
50.93
NOTES:
1. Dimensions are in inches.
2. Metric equivalents are given for information only.
3. Fixture to be used on MIL-DTL-55302/24, MIL-DTL-55302/25 and MIL-DTL-55302/27.
FIGURE 1. Test probe fixture.
AMSC N/A
FSC 5935
For Parts Inquires submit RFQ to Parts Hangar, Inc.
© Copyright 2015 Integrated Publishing, Inc.
A Service Disabled Veteran Owned Small Business