
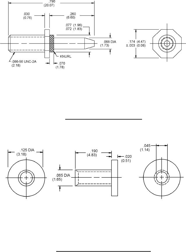
MIL-DTL-55302/31L
NOTES:
1. Dimensions are in inches.
2. Metric equivalents are given for information only.
3. Unless otherwise specified, tolerances are ±.005 (0.13 mm).
4. Metric equivalents are in parenthesis.
FIGURE 13. Mounting/keying pin, M55302/31-09, type IV.
NOTES:
1. Dimensions are in inches.
2. Metric equivalents are given for information only.
3. Unless otherwise specified, tolerances are ±.005 (0.13 mm).
4. Metric equivalents are in parenthesis.
FIGURE 14. Retaining rivet for external key, M55302/31-10, type III.
7
For Parts Inquires submit RFQ to Parts Hangar, Inc.
© Copyright 2015 Integrated Publishing, Inc.
A Service Disabled Veteran Owned Small Business