
INCH-POUND
MIL-DTL-55302/38C
20 July 2007
SUPERSEDING
MIL-C-55302/38B (AT)
8 June 1990
DETAIL SPECIFICATION SHEET
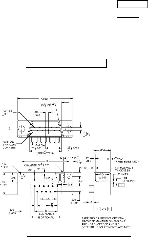
CONNECTORS, PRINTED CIRCUIT SUBASSEMBLY AND ACCESSORIES: PLUG, ELECTRICAL,
POLARIZED SHELL, MALE, .100 INCH CONTACT SPACING PIN TERMINAL
Inactive for new design after 4 June 1999.
This specification is approved for use by all Departments and Agencies of the Department of Defense.
The requirements for acquiring the product described herein shall consist of this specification sheet and
MIL-DTL-55302.
FIGURE 1. Connector, plug, male, .100 inch contact spacing, pin terminal.
AMSC N/A
FSC 5935
For Parts Inquires submit RFQ to Parts Hangar, Inc.
© Copyright 2015 Integrated Publishing, Inc.
A Service Disabled Veteran Owned Small Business