
INCH-POUND
MIL-DTL-55302/5F
22 October 2008
SUPERSEDING
MIL-DTL-55302/5E
3 February 2003
DETAIL SPECIFICATION SHEET
CONNECTORS, PRINTED CIRCUIT SUBASSEMBLY AND ACCESSORIES:
PLUG, PIN CONTACTS, STRAIGHT-THRU, FOR MULTILAYERED PRINTED WIRING BOARDS (.100 SPACING)
This specification is approved for use by all Departments
and Agencies of the Department of Defense.
The requirements for acquiring the product described herein shall
consist of this specification sheet and MIL-DTL-55302.
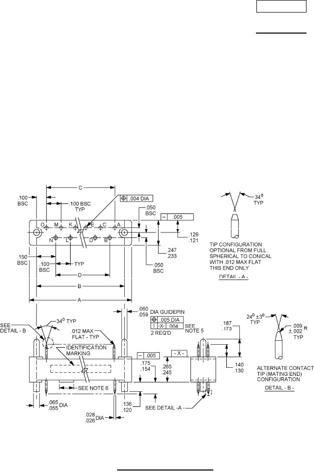
FIGURE 1. Connectors, plug (.100 spacing).
AMSC N/A
FSC 5935
For Parts Inquires submit RFQ to Parts Hangar, Inc.
© Copyright 2015 Integrated Publishing, Inc.
A Service Disabled Veteran Owned Small Business