
INCH-POUND
MIL-DTL-55302/52D
17 December 2003
SUPERSEDING
MIL-C-55302/52C
18 April 1983
DETAIL SPECIFICATION SHEET
CONNECTORS, PRINTED CIRCUIT SUBASSEMBLY AND ACCESSORIES:
RECEPTACLE, STRAIGHT-THRU, HERMAPHRODITIC CONTACT FOR
PRINTED WIRING BOARDS (.100 SPACING)
This specification is approved for used by all Departments and Agencies of the Department of Defense.
The requirements for acquiring the product described herein shall consist of this specification sheet and
MIL-DTL-55302.
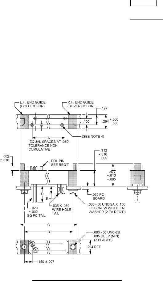
FIGURE 1. Connectors, receptacle, .100 (2.54 mm) spacing.
AMSC N/A
FSC 5935
For Parts Inquires submit RFQ to Parts Hangar, Inc.
© Copyright 2015 Integrated Publishing, Inc.
A Service Disabled Veteran Owned Small Business