
INCH-POUND
MIL-DTL-55302/54C
10 December 2003
SUPERSEDING
MIL-C-55302/54B
19 January 1981
DETAIL SPECIFICATION SHEET
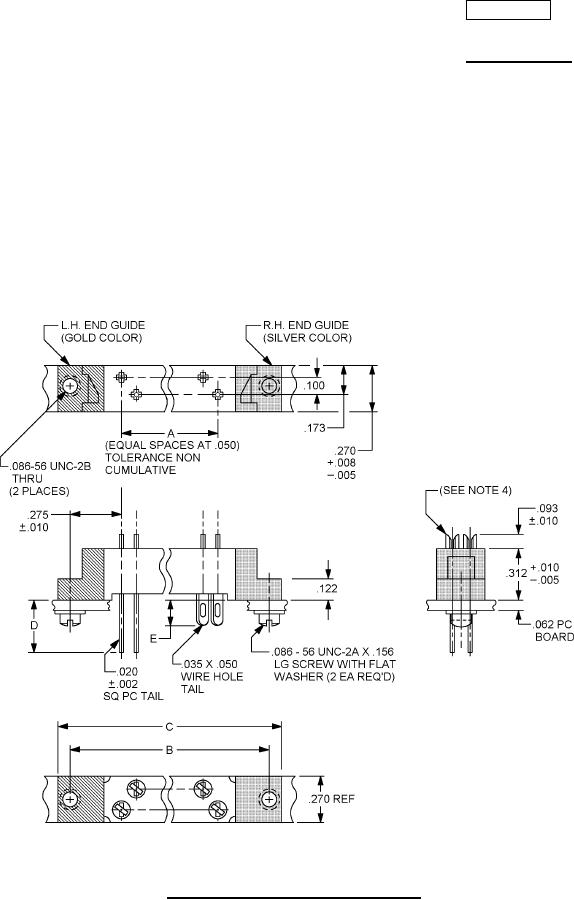
CONNECTORS, PRINTED CIRCUIT SUBASSEMBLY AND ACCESSORIES:
PLUG, STRAIGHT-THRU, HERMAPHRODITIC CONTACT
FORPRINTED WIRING BOARDS (.100 SPACING)
This specification is approved for used by all Departments and Agencies of the Department of Defense.
The requirements for acquiring the product described herein shall consist of this specification sheet and
MIL-DTL-55302.
FIGURE 1. Connectors, plug, .100 (2.54 mm) spacing.
AMSC N/A
FSC 5935
For Parts Inquires submit RFQ to Parts Hangar, Inc.
© Copyright 2015 Integrated Publishing, Inc.
A Service Disabled Veteran Owned Small Business