
MIL-DTL-55302/55G
Number
Dimensions
Dimensions
Number
of
of
A
BSC
REF
A
BSC
REF
contacts
contacts
±.010
B
C
±.010
B
C
10
.850
.650
.400
44
2.550
2.350
2.100
(21.59)
(16.51)
(10.16)
(64.77)
(56.69)
(53.35)
14
1.050
.850
.600
50
2.850
2.650
2.400
(26.67)
(21.59)
(15.24)
(72.39)
(67.31)
(60.96)
20
1.350
1.150
.900
54
3.050
2.850
2.600
(34.29)
(29.21)
(22.86)
(85.09)
(72.39)
(66.04)
24
1.550
1.350
1.100
56
3.150
2.950
2.700
(39.37)
(34.29)
(27.94)
(80.01)
(74.93)
(68.58)
26
1.650
1.450
1.200
60
3.350
3.150
2.900
(41.91
(36.83)
(30.48)
(85.09)
(80.01)
(73.66)
30
1.850
1.650
1.400
66
3.650
3.450
3.200
(46.99)
(41.91
(35.56)
(92.71)
(87.63)
(81.28)
36
2.150
1.950
1.700
70
3.850
3.650
3.400
(54.61)
(49.53)
(43.18)
(97.79)
(92.71)
(86.36)
40
2.350
2.150
1.900
(56.69)
(54.61)
(48.26)
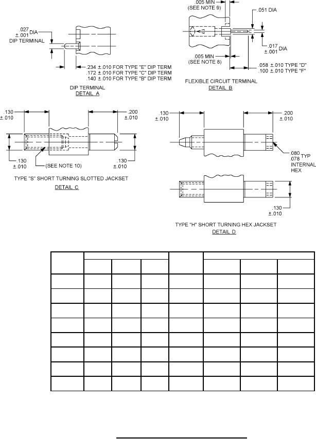
FIGURE 1. Connectors, plug, .100 (2.54 mm) spacing - Continued.
2
For Parts Inquires submit RFQ to Parts Hangar, Inc.
© Copyright 2015 Integrated Publishing, Inc.
A Service Disabled Veteran Owned Small Business