
INCH-POUND
MIL-DTL-55302/57H
3 February 2004
SUPERSEDING
MIL-C-55302/57G
23 September 1992
DETAIL SPECIFICATION SHEET
CONNECTORS, PRINTED CIRCUIT SUBASSEMBLY AND ACCESSORIES:
PLUG, PIN CONTACTS, DECADE INCREMENTS 10 THRU 70 CONTACT POSITIONS AND
INTERMEDIATE POSITIONS OF 14, 24, 44, 54 AND 26, 36, 56, 66
FOR PRINTED WIRING BOARDS (.100 SPACING)
This specification is approved for use by all Departments and Agencies of the Department of Defense.
The requirements for acquiring the product described herein shall consist of this specification sheet and
MIL-DTL-55302.
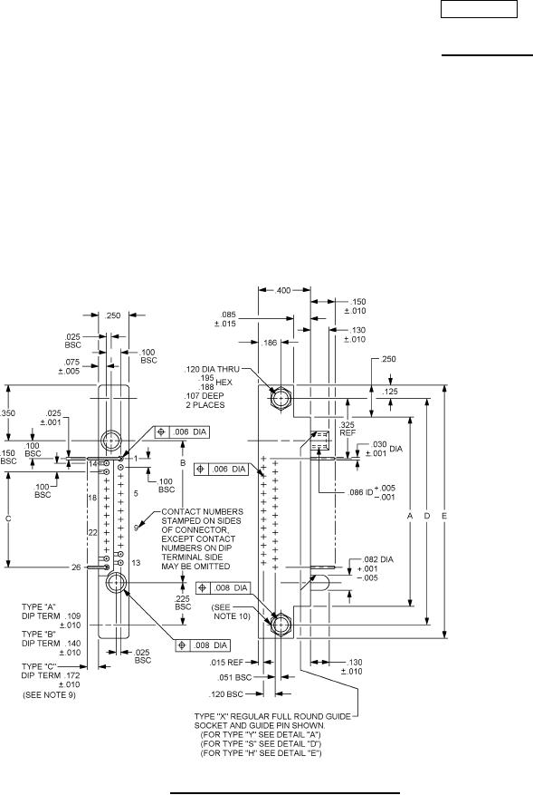
FIGURE 1. Connectors, plug, .100 (2.54 mm) spacing.
AMSC N/A
FSC 5935
For Parts Inquires submit RFQ to Parts Hangar, Inc.
© Copyright 2015 Integrated Publishing, Inc.
A Service Disabled Veteran Owned Small Business