emilspec
An Integrated Publishing, Inc. Site
eMilSpec
An Integrated Publishing Website
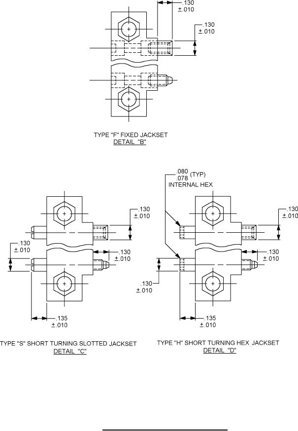
MIL-DTL-55302-59 Connectors, Printed Circuit Subassembly And Accessories: Plug, Pin Contacts, Decade Increments 90, 100 And 120 Contact Positions For Printed Wiring Boards \(.100 Spacing\)
Pages
1
-
2
-
3
-
4
-
5
-
6
MIL-DTL-55302/59H
FIGURE
1. Connectors, plug, .100 (2.54 mm) spacing - Continued.
2
For Parts Inquires submit RFQ to
Parts Hangar, Inc.
© Copyright 2015 Integrated Publishing, Inc.
A Service Disabled Veteran Owned Small Business