
INCH-POUND
MIL-DTL-55302/6J
6 April 2005
SUPERSEDING
MIL-DTL-55302/6H
3 February 2003
DETAIL SPECIFICATION SHEET
CONNECTORS, PRINTED CIRCUIT SUBASSEMBLY AND ACCESSORIES:
RECEPTACLE, SOCKET CONTACTS, STRAIGHT-THRU, FOR MULTILAYERED PRINTED WIRING BOARDS
(.100 SPACING)
This specification is approved for use by all Departments and Agencies of the Department of Defense.
The requirements for acquiring the product described herein shall consist of this specification sheet and
MIL-DTL-55302.
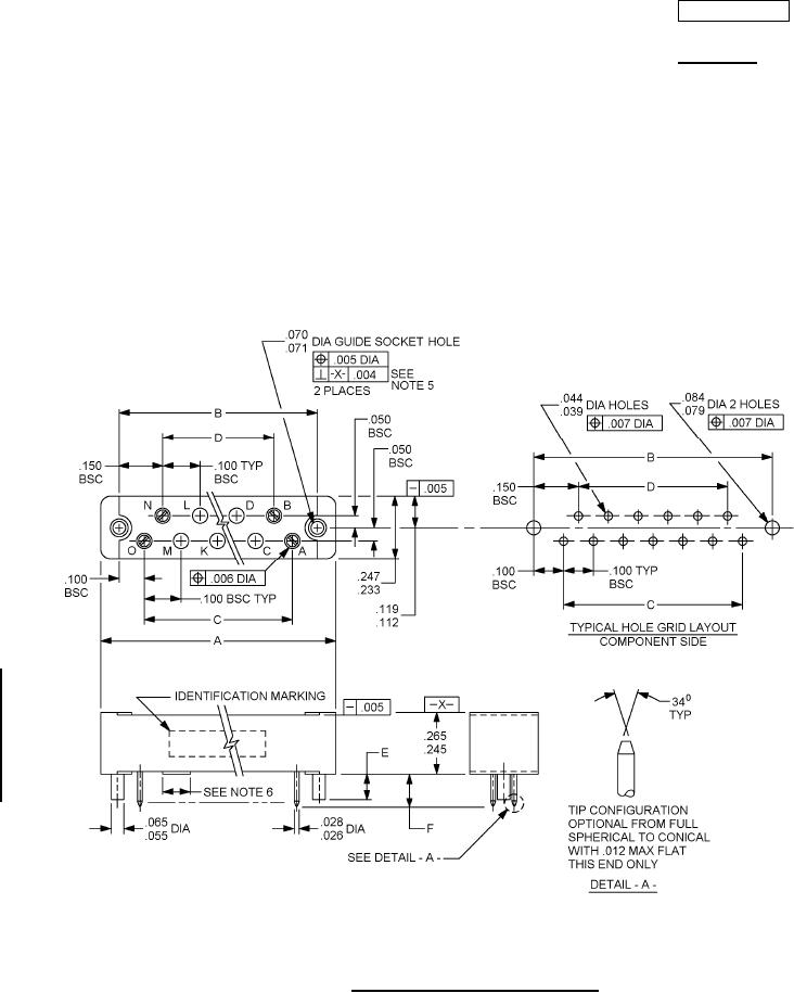
FIGURE 1. Connectors, receptacle (.100 spacing).
AMSC N/A
FSC 5935
For Parts Inquires submit RFQ to Parts Hangar, Inc.
© Copyright 2015 Integrated Publishing, Inc.
A Service Disabled Veteran Owned Small Business