
INCH-POUND
MIL-DTL-55302/60J
3 February 2004
SUPERSEDING
MIL-C-55302/60H
31 December 1992
DETAIL SPECIFICATION SHEET
CONNECTORS, PRINTED CIRCUIT SUBASSEMBLY AND ACCESSORIES:
RECEPTACLE, SOCKET CONTACTS, DECADE INCREMENTS 90, 100 and 120 CONTACTPOSITIONS
(.100 SPACING)
This specification is approved for use by all Departments and Agencies of the Department of Defense.
The requirements for acquiring the product described herein shall consist of this specification sheet
and MIL-DTL-55302.
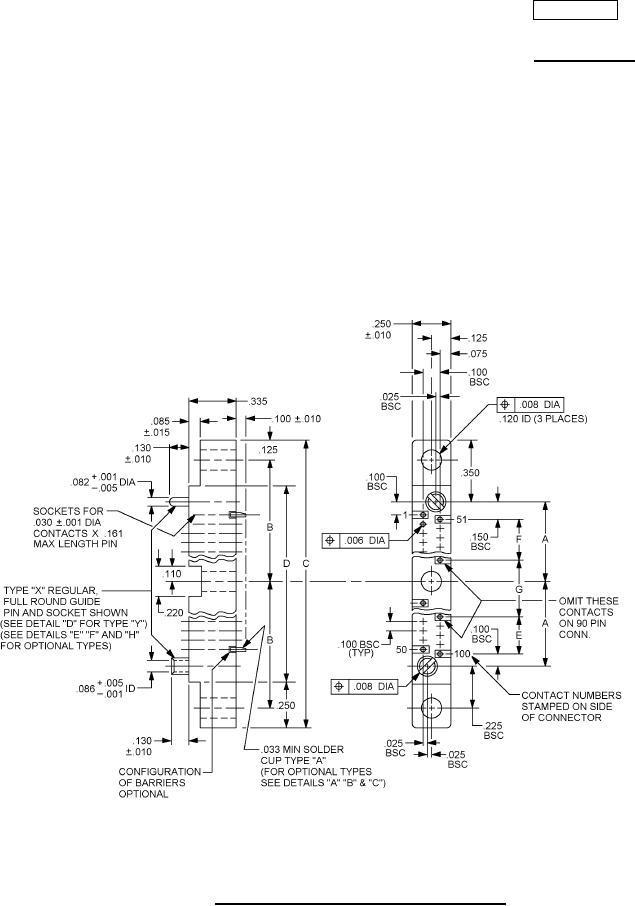
FIGURE 1. Connectors, receptacle, .100 (2.54 mm) spacing.
AMSC N/A
FSC 5935
For Parts Inquires submit RFQ to Parts Hangar, Inc.
© Copyright 2015 Integrated Publishing, Inc.
A Service Disabled Veteran Owned Small Business