
INCH-POUND
MIL-DTL-55302/69D
24 March 2004
SUPERSEDING
MIL-C-55302/69C
17 October 1986
DETAIL SPECIFICATION SHEET
CONNECTORS, PRINTED CIRCUIT SUBASSEMBLY AND ACCESSORIES:
PIN PLUG, ELECTRICAL, POLARIZED
(.090 SPACING) REMOVABLE CRIMP CONTACTS
MIL-DTL-55302/69D is inactive for new design after 1 October 1986.
This specification is approved for used by all Departments and Agencies of the Department of Defense.
The requirements for acquiring the product described herein shall consist of this specification sheet and
MIL-DTL-55302.
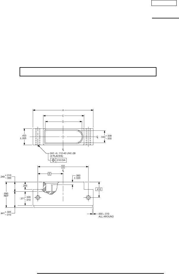
Inches
mm
.005
0.13
.008
0.20
.010
0.25
.020
0.51.
.060
1.52
.112
2.84
.200
5.08
.249
6.32
.330
8.38
.371
9.42
.410
10.41
.433
11.00
.441
11.20
.690
17.53
NOTES:
1. Dimensions are in inches.
2. Metric equivalents are given for information only.
3. Nominal spacing between any two adjacent pin contacts shall be .090 ±.003 (2.29 ±.08 mm).
4. Unless otherwise specified, tolerances are ±.010 (0.25 mm).
5. For dimensions A through E see table I.
6. A quantity of M39029/58-354 socket crimp contacts consisting of the normal complement plus one spare
contact for connector arrangements having 26 contacts or less and two spare for arrangements having over 26
contacts shall be supplied with each connector.
FIGURE 1. Connectors, plug, .090 (2.29 mm) contact spacing removable crimp pin.
AMSC N/A
FSC 5935
For Parts Inquires submit RFQ to Parts Hangar, Inc.
© Copyright 2015 Integrated Publishing, Inc.
A Service Disabled Veteran Owned Small Business