
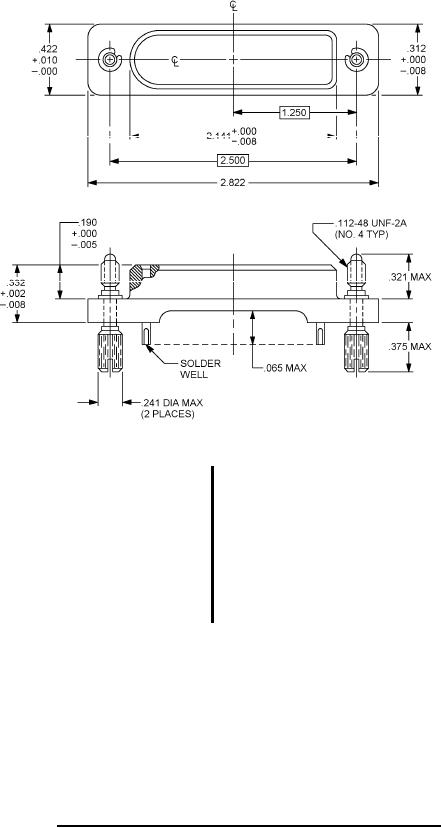
MIL-DTL-55302/71D
Inches
mm
Inches
mm
.002
0.05
.321
8.15
.005
0.13
.332
8.43
.008
0.20
.375
9.53
.010
0.25
.422
10.72
.031
0.79
.435
11.05
.065
1.65
1.250
31.75
.190
4.83
2.141
54.38
.241
6.12
2.500
63.50
.312
7.92
2.822
71.68
NOTES:
1. Dimensions are in inches.
2. Metric equivalents are given for information only.
3. Nominal spacing between any two adjacent pin contacts shall be .100 ±.003 (2.54 ± .08 mm).
4. Unless otherwise specified, tolerances are ±.010 (0.25 mm).
FIGURE 2 Connector, plug, .100 (2.54 mm) contact spacing solder terminal.
3
For Parts Inquires submit RFQ to Parts Hangar, Inc.
© Copyright 2015 Integrated Publishing, Inc.
A Service Disabled Veteran Owned Small Business