
INCH-POUND
MIL-DTL-55302/72D
12 November 2004
SUPERSEDING
MIL-C-55302/72C (USAF)
17 October 1986
DETAIL SPECIFICATION SHEET
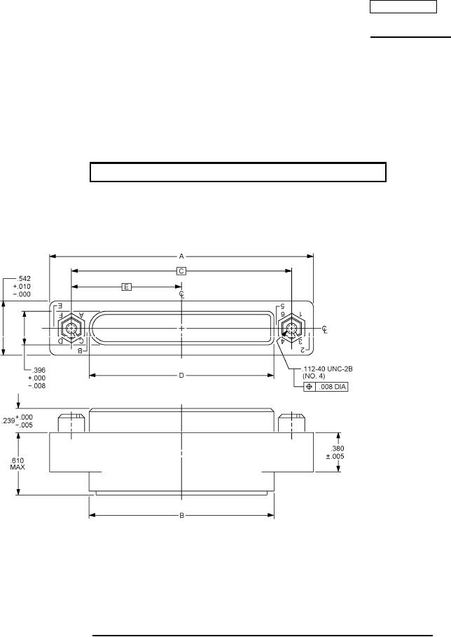
CONNECTORS, PRINTED CIRCUIT SUBASSEMBLY AND ACCESSORIES:
SOCKET ENVIRONMENTAL RESISTANT, RECEPTACLE, ELECTRICAL, POLARIZED
(.150 SPACING), REMOVABLE CRIMP CONTACTS
MIL-DTL-55302/72D is inactive for new design after 1 October 1986.
This specification is approved for used by all Departments and Agencies of the Department of Defense.
The requirements for acquiring the product described herein shall consist of this specification sheet and
MIL-DTL-55302.
Inches
mm
.005
0.13
.008
0.20
.010
0.25
.112
2.84
.239
6.07
.380
9.65
.396
10.06
.542
13.77
.610
15.49
FIGURE 1. Connectors, receptacle, .150 (3.81 mm) contact spacing, removable crimp socket.
AMSC N/A
FSC 5935
For Parts Inquires submit RFQ to Parts Hangar, Inc.
© Copyright 2015 Integrated Publishing, Inc.
A Service Disabled Veteran Owned Small Business