
INCH-POUND
MIL-DTL-55302/76D
12 November 2004
SUPERSEDING
MIL-C-55302/76C (USAF)
17 October 1986
DETAIL SPECIFICATION SHEET
CONNECTORS, PRINTED CIRCUIT SUBASSEMBLY AND ACCESSORIES,
SOCKET STRAIGHT-THRU, POLARIZED FOR MULTILAYERED
PRINTED WIRING BOARDS (.100 SPACING)
MIL-DTL-55302/76D is inactive for new design after 1 October 1986.
This specification is approved for use by all Departments and Agencies of the Department of Defense.
The requirements for acquiring the product described herein shall consist of this specification sheet and
MIL-DTL-55302.
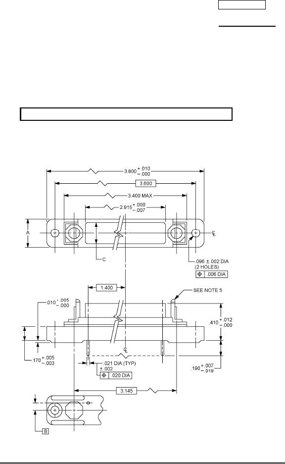
FIGURE 1. Connectors, socket, straight-thru, for multilayered printing wiring boards, .100 (2.54 mm) spacing.
AMSC N/A
FSC 5935
For Parts Inquires submit RFQ to Parts Hangar, Inc.
© Copyright 2015 Integrated Publishing, Inc.
A Service Disabled Veteran Owned Small Business