
INCH-POUND
MIL-DTL-55302/82C
15 November 2004
SUPERSEDING
MIL-C-55302/82B
2 March 1989
DETAIL SPECIFICATION SHEET
CONNECTORS, PRINTED CIRCUIT SUBASSEMBLY AND ACCESSORIES:
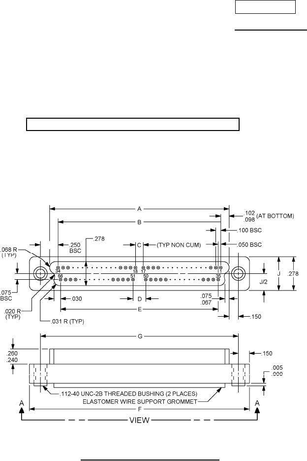
RECEPTACLE, SOCKET CONTACTS, 41, 66, 114 CONTACT POSITIONS:
FOR PRINTED WIRING BOARDS (.100 X .050 OFFSET GRID)
MIL-DTL-55302/82C is inactive for new design after 1 July 1989.
This specification is approved for use by all Departments and
Agencies of the Department of Defense.
The requirements for acquiring the product described herein shall consist of this specification sheet and
MIL-DTL-55302.
FIGURE 1. Connectors, receptacle (.100 x .050 offset grid).
AMSC N/A
FSC 5935
For Parts Inquires submit RFQ to Parts Hangar, Inc.
© Copyright 2015 Integrated Publishing, Inc.
A Service Disabled Veteran Owned Small Business