emilspec
An Integrated Publishing, Inc. Site
eMilSpec
An Integrated Publishing Website
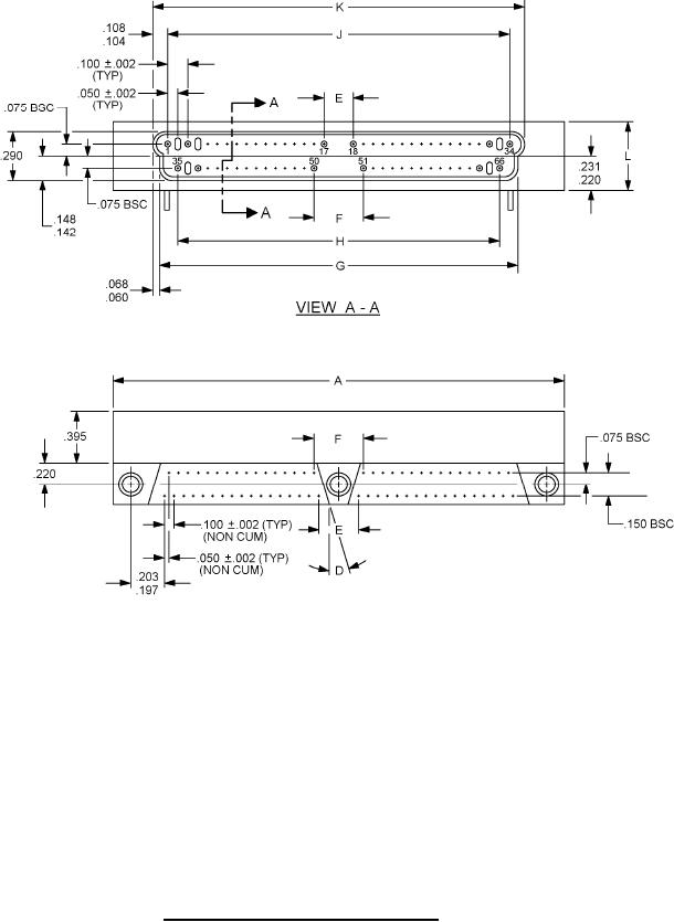
MIL-DTL-55302-83 Connectors, Printed Circuit Subassembly And Accessories: Plug, Pin Contacts, 41, 66, 114 Contact Positions: For Printed Wiring Boards \(.100 X .050 Offset Grid\)
Pages
1
-
2
-
3
-
4
-
5
-
6
MIL-DTL-55302/83C
FIGURE
1. Connectors, plug, (.100 x .050 offset grid) - Continued.
2
For Parts Inquires submit RFQ to
Parts Hangar, Inc.
© Copyright 2015 Integrated Publishing, Inc.
A Service Disabled Veteran Owned Small Business