
INCH-POUND
MIL-DTL-55302/84C
15 November 2004
SUPERSEDING
MIL-C-55302/84B
2 March 1989
DETAIL SPECIFICATION SHEET
CONNECTORS, PRINTED CIRCUIT SUBASSEMBLY AND ACCESSORIES:
CONTACTS CRIMP, DIP SOLDER TAIL,
SOLDER TURRET, AND WIREWRAP
MIL-DTL-55302/84C is inactive for new design after 1 July 1989.
This specification is approved for use by all Departments and
Agencies of the Department of Defense.
The requirements for acquiring the product described herein shall consist of this specification sheet and
MIL-DTL-55302.
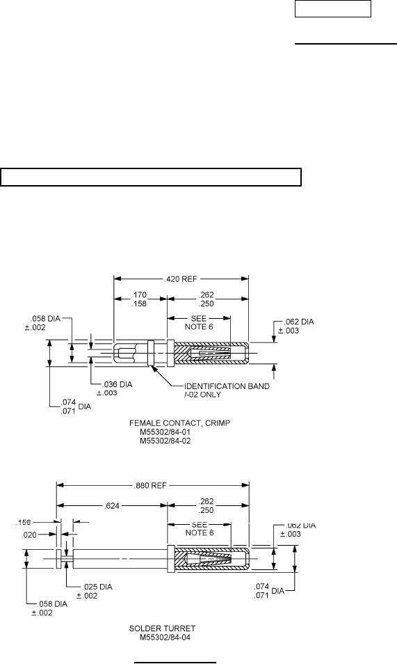
FIGURE 1. Contact termination.
AMSC N/A
FSC 5935
For Parts Inquires submit RFQ to Parts Hangar, Inc.
© Copyright 2015 Integrated Publishing, Inc.
A Service Disabled Veteran Owned Small Business