
MIL-DTL-55302/89E
Inches
mm
Inches
mm
Inches
mm
Inches
mm
.003
0.08
.091
2.31
.175
4.44
.320
8.13
.005
0.13
.098
2.49
.187
4.75
.340
8.64
.024
0.61
.100
2.54
.200
5.08
.410
10.41
.075
1.91
.120
3.05
.250
6.35
.462
11.73
.086
2.18
.125
3.18
NOTES:
1. Dimensions are in inches.
2. Metric equivalents are given for information only.
3. Unless otherwise specified, tolerances are ± .010 (0.25 mm).
4. Dimensions are .162 (4.112 mm) hex across the flats by .052 (1.32 mm) deep.
5. Keying pins shown are in positions 1 and A.
FIGURE 1. Connectors, plug (.100 spacing) - Continued.
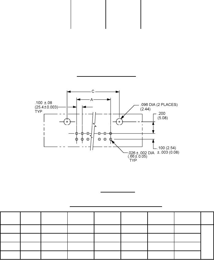
NOTES:
1. Dimensions are in inches.
2. Metric equivalents are given for information only.
FIGURE 2. Typical hole layout.
TABLE I. Dimensions for .054 to .070 thick printed circuit board.
Dash
Number
A
B
C
D
E
L
N
Number
of
±.006 (0.15)
±.006 (0.15)
±.006 (0.15)
±.006 (0.15)
±.006 (0.15)
±.006 (0.15)
Ref
contacts
1.100
1.250
1.400
1.900
2.200
1.252
01
24
(27.94)
(31.75)
(35.56)
(48.26)
(55.88)
(31.80)
2.300
2.450
2.600
3.100
3.400
2.452
02
48
.110
(58.42)
(62.23)
(66.04)
(78.74)
(86.36)
(62.28)
(2.79)
3.500
3.650
3.800
4.300
4.600
3.652
03
72
(88.90)
(92.71)
(96.52)
(109.72)
(116.84)
(92.76)
4.700
4.850
5.000
5.500
5.800
4.852
04
96
(119.38)
(123.19)
(127.00)
(139.70)
(147.32)
(123.24)
NOTES:
1. Dimensions are in inches.
2. Metric equivalents are given for information only.
2
For Parts Inquires submit RFQ to Parts Hangar, Inc.
© Copyright 2015 Integrated Publishing, Inc.
A Service Disabled Veteran Owned Small Business