
INCH-POUND
MIL-DTL-55302/94F
8 October 2010
SUPERSEDING
MIL-DTL-55302/94E
17 November 2004
DETAIL SPECIFICATION SHEET
CONNECTORS, PRINTED CIRCUIT SUBASSEMBLY AND ACCESSORIES:
RECEPTACLE, INSERT (INSULATOR), RECTANGULAR, POLARIZED,
REMOVABLE, CRIMP TYPE HERMAPHRODITIC CONTACTS (.100 INCH SPACING)
This specification is approved for use by all Departments and Agencies of the Department of Defense.
The requirements for acquiring the product described herein shall consist of this specification sheet and
MIL-DTL-55302.
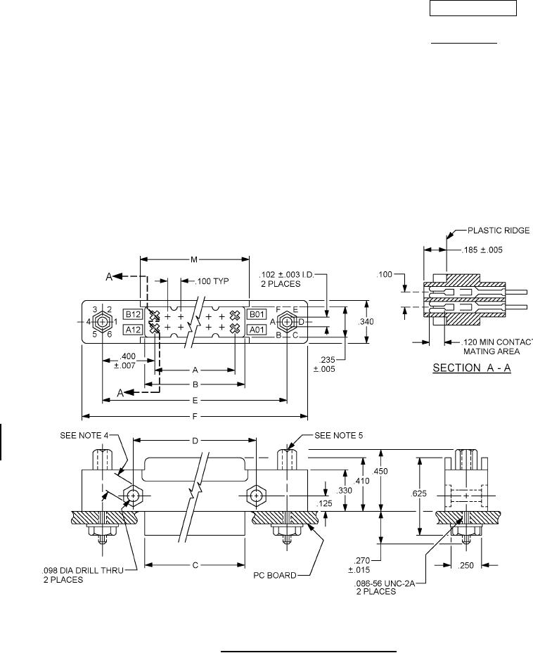
FIGURE 1. Connector, receptacle (.100 inch spacing).
AMSC N/A
FSC 5935
For Parts Inquires submit RFQ to Parts Hangar, Inc.
© Copyright 2015 Integrated Publishing, Inc.
A Service Disabled Veteran Owned Small Business