
INCH-POUND
MIL-DTL-641/10D
8 November 2013
SUPERSEDING
MIL-J-641/10C
03 July 1973
DETAIL SPECIFICATION SHEET
JACKS, TELEPHONE
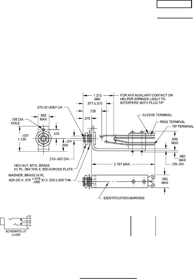
TYPES JJ-083
This specification is approved for use by all Departments and
Agencies of the Department of Defense.
The requirements for acquiring the product described herein shall
consist of this specification sheet and MIL-DTL-641.
Inches
mm
Inches
mm
Inches
mm
.002
0.05
.016
0.41
.094
2.39
.005
0.13
.020
0.51
.125
3.18
.010
0.25
.031
0.79
.156
3.96
.015
0.38
.062
1.57
.210
5.33
NOTES:
1. Dimensions are in inches.
2. Metric equivalents are given for information only.
3. Jacks may be multiple mounted on a panel in accordance with the minimum center-to-center dimensions
specified in table I.
4. Arrangement of contact spring lifters is optional.
FIGURE 1. Dimensions and configuration.
AMSC N/A
FSC 5935