
INCH-POUND
MIL-DTL-641/11D
8 November 2013
SUPERSEDING
MIL-J-641/11C
03 July 1973
DETAIL SPECIFICATION SHEET
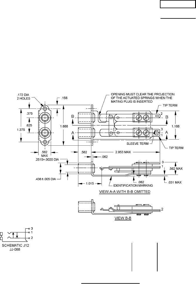
JACKS, TELEPHONE
TYPES JJ-088
This specification is approved for use by all Departments and
Agencies of the Department of Defense.
The requirements for acquiring the product described herein shall
consist of this specification sheet and MIL-DTL-641.
Inches
mm
Inches mm Inches
mm
.002
0.05
.2515 6.39 1.015
25.78
.005
0.13
.375
9.53 1.188
30.18
.031
0.79
.438 11.13 1.375
34.93
.062
1.57
.562 14.27 1.688
42.88
.156
3.96
.625 15.88 1.750
44.45
.172
4.37
2.953
75.01
FIGURE 1. Dimensions and configuration.
AMSC N/A
FSC 5935