
INCH-POUND
MIL-DTL-641/14D
15 November 2013
SUPERSEDING
MIL-J-641/14C
03 July 1973
DETAIL SPECIFICATION SHEET
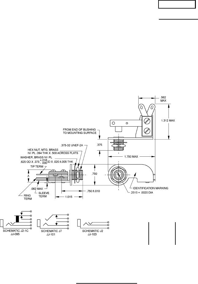
JACKS, TELEPHONE
TYPES JJ-095, JJ-101 AND JJ-103
This specification is approved for use by all Departments and
Agencies of the Department of Defense.
The requirements for acquiring the product described herein shall
consist of this specification sheet and MIL-DTL-641.
Inches
mm
Inches
mm
Inches
mm
.002
.05
.094
2.39
.688
17.48
.005
.13
0.2515
6.39
0.750
19.05
.25
0.375
9.53
.938
23.83
.010
.015
.38
0.500
12.70
1.015
25.78
.016
.41
0.562
14.27
1.312
33.32
.062
1.57
0.625
15.88
1.750
44.45
NOTES:
1. Dimensions are in inches.
2. Metric equivalents are given for information only.
3. These jacks may are not generally used for multiple mounting.
4. The schematic shows required switching operations but does not indicate a required mechanical
arrangement of the parts.
FIGURE 1. Dimensions and configuration.
AMSC N/A
FSC 5935