
INCH-POUND
MIL-DTL-641/15D
15 November 2013
SUPERSEDING
MIL-J-641/15C
03 July 1973
DETAIL SPECIFICATION SHEET
JACKS, TELEPHONE
TYPES JJ-098, JJ-099 AND JJ-102
This specification is approved for use by all Departments and
Agencies of the Department of Defense.
The requirements for acquiring the product described herein shall
consist of this specification sheet and MIL-DTL-641.
Inches
mm
Inches
mm
Inches
mm
.002
0.05
.094
2.39
0.750
19.05
.005
0.13
0.2515
6.39
.875
22.23
.015
0.38
0.375
9.53
1.015
25.78
.016
0.41
0.500
12.70
1.125
28.58
.020
0.51
0.625
15.88
1.938
49.23
.062
1.57
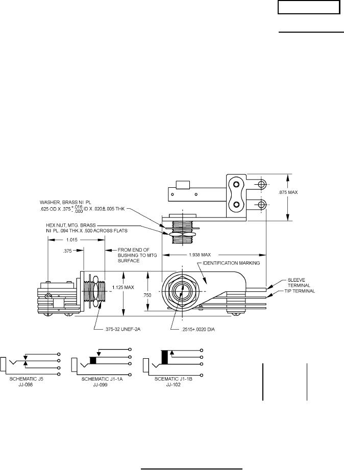
NOTES:
1. Dimensions are in inches.
2. Metric equivalents are given for information only.
3. These jacks may are not generally used for multiple mounting.
4. The schematic shows required switching operations but does not indicate a required mechanical arrangement of
the parts.
FIGURE 1. Dimensions and configuration.
AMSC N/A
FSC 5935