
INCH-POUND
MIL-DTL-641/16D
15 November 2013
SUPERSEDING
MIL-J-641/16C
25 July 1966
DETAIL SPECIFICATION SHEET
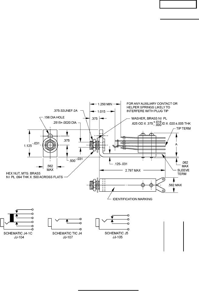
JACKS, TELEPHONE
TYPES JJ-104, JJ-105 AND JJ-107
This specification is approved for use by all Departments and
Agencies of the Department of Defense.
The requirements for acquiring the product described herein shall
consist of this specification sheet and MIL-DTL-641.
Inches
mm
Inches mm Inches
mm
.002
0.05
.094
2.39 0.625
15.88
.005
0.13
.125
3.18
.875
22.23
.015
0.38
.156
3.96 1.015
25.78
.016
.41
.2515 6.39 1.125
28.58
.020
.51
0.375 9.53 1.250
31.75
.031
.79
0.500 12.70 1.375
34.93
.062
1.57
.562 14.27 2.797
71.04
NOTES:
1. Dimensions are in inches.
2. Metric equivalents are given for information only.
3. Jacks may be multiple mounted on a panel in accordance with the minimum center to center dimensions
specified in table I.
4. The schematic shows required switching operations but does not indicate a required mechanical arrangement of
the parts.
FIGURE 1. Dimensions and configuration.
AMSC N/A
FSC 5935