
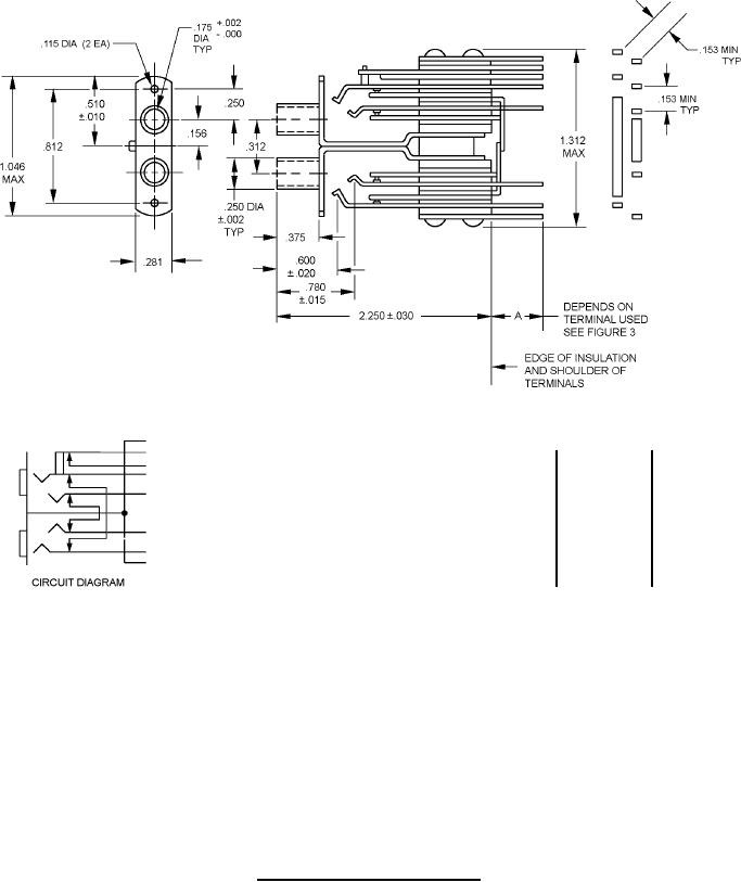
MIL-DTL-641/21B
Inches
mm
Inches mm Inches
mm
.002
0.05
.175
4.44
.812
20.62
.010
0.25
.250
6.35 1.046
26.57
.015
0.38
.281
7.14 1.094
27.79
.020
0.51
.312
7.92 1.140
28.96
.030
0.76
.375
9.53 1.188
30.18
.115
2.92
.510 12.95 1.312
33.32
.153
3.89
.600 15.24 1.343
34.11
.156
3.96
.780 19.81 2.250
57.15
NOTES:
1. Dimensions are in inches.
2. Metric equivalents are given for information only.
3. All dimensions are after plating.
4. Wire shunts are permitted.
5. All undimensioned pictoral features are for reference purposes only.
6. For wirewrap type jacks, terminal and contact interconnecting jumpers shall not interfere with
commonly used wirewrap tools.
Dash numbers -11 and -12 (5 breaks, 4 connected)
FIGURE 1. Dimensions and configurations Continued.
4