
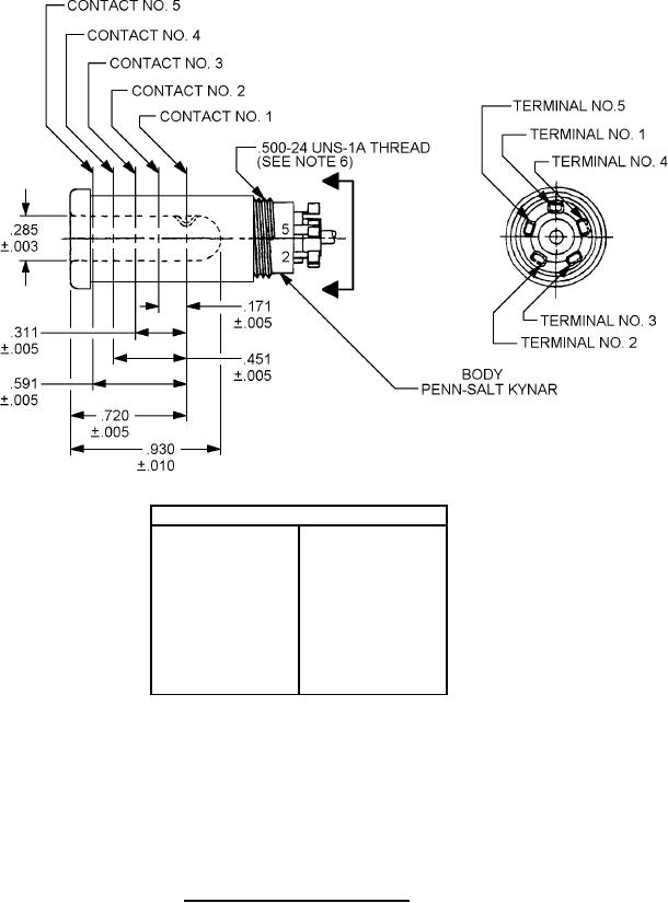
MIL-DTL-641/22A
Inch/mm conversion chart
Inches mm
Inches
mm
.003
.08
.311
7.90
.005
.13
.451
11.46
.02
.5
.56
14.2
.03
.8
.591
15.01
.09
2.3
.62
15.7
.171
4.34
.720
18.29
.272
6.91
.930
23.62
.285
7.24
2.38
60.45
NOTES:
1. Dimensions are in inches.
2. Metric equivalents are given for general information only.
3. Unless otherwise specified, tolerance is ± .005 (0.13 mm).
4. All dimensions are after plating.
5. Contact clearances are not cumulative.
6. Screw threads shall be in accordance with FED-STD-H28.
7. Shell material shall be nylon conforming to ASTM D4066; black.
FIGURE 1. Dimensions and configurations - Continued.
2